概述
AYTSPD低壓浪涌保護器系列產品按GB18802.1 (IEC61643-1)設計,其內部核心元件采用本公司生產的優(yōu)質芯片/放電間隙。通過電壓能力、電流能星以及參數異常值的篩選。BCSPD最大通流墾可達200KA(8/20uS),承受過電壓能力強,殘壓低,漏流小。脫口機構靈敏,標準導軌安裝(35mm)。失效窗口顯示,響應速度快,確保安全可靠。
工作原理
在三相五線制系統(tǒng)中,三條相線和一條零線對地線之間均有保護器。在正常情況下保護器處于高阻狀態(tài),當電網因雷擊或其他原因適成浪通過電壓時,保護器將在納秒級時間內迅導通,將浪涌過電壓引入大地,從而保護了電網上的用電沒備。當該浪涌過電壓通過保護器且消失后,保護器又重新恢復到高阻狀態(tài)。從而不影響電網的正常運行。
特點
1、采用內部接線,整體結構緊湊,安裝接地方便。
2、高速反應,運作時間小于5ns。
3、工作狀態(tài)顯示明顯:綠色(正常)、紅色/白色(故障)。
4、可附加功能,如計數器(J)、故障遙信接點(Y)。
適用范圍
AYTSPD型低壓浪涌保護器適用與電網電壓1000V以下,頻率50/60HZ的各種低壓配電系統(tǒng)中。如郵電通信、鐵路、金融系統(tǒng)、油田、高層建筑、民宅、寫字樓等配電系統(tǒng)中。使這些用電單位的用電器(如電腦、儀器設備、家用電器等>免受雷擊、暫態(tài)過電壓等浪涌過電壓帶來的損害。保證設備及人身安全。是理想的過電壓保護裝置。
使用環(huán)境
1、海拔高度不超過2000m;
2、周圍空氣溫度:正常范圍擴展范圍:
3、空氣相對濕度:室內溫度條件下30%~90%;
4、與垂直面的傾斜角度不超過5。;無顯著搖支和沖擊震動的地方;
5、無爆炸危險的介質中,且介質中無足以腐蝕金屬和破壞絕緣的氣體與塵埃(包括導電塵埃)
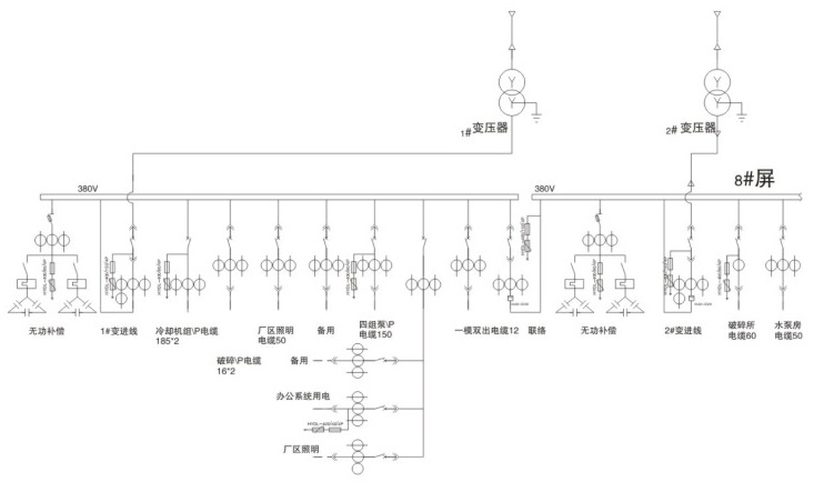
上圖示意

雷電計數器
